Using high value stick pots, like 1MΩ

Waggly tails
Post Reply
User avatar
Phil_G
Posts: 784
Joined: 15 Feb 2018, 23:32
Contact:

Using high value stick pots, like 1MΩ

Post by Phil_G »

I've been asked a few times whether we can use such high value stick pots with 328P analogue inputs and I've always said no, not really. These high value pots are sometimes found on the elevator stick (ie pulse rate) of old Galloping-Ghost or analogue proportional sets.

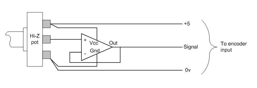
Normally of course a megohm is way higher than the recommended maximum for the 328P, hence the need to change something. One 'mechanical' way is to change out the stick pot. Or, you could correct in software. My own preference is easy and much less prone to noise pickup - use a buffer.

Here's an experiment with 1MΩ pot driving a 328P analogue input.

I made up a small stripboard buffer, using a single MCP6021 which is a common-or-garden rail-to-rail 5v op-amp and cheap as chips.
The result is it works perfectly, no different to a 5k pot, no noise pick-up or RF problems, it just works. I also did a small PCB layout (top of 3rd photo) to mount directly onto the pot tags. The buffer simply sits inline in the 3-wire pot cable, pos 5v, neg and wiper.
In the first & second photos the input from the pot is on the left, and output to the encoder on the right.

Conclusion - yes we can use 1MΩ stick pots without having to physically swap them out for lower values :D


Img_20200129_215823_863.jpg

IMG_20200129_220001_979.JPG

IMG_20200129_203139.jpg

buffer.jpg

mcp6021.jpg
mcp6021.jpg (18.78 KiB) Viewed 2961 times
User avatar
Shaun
Posts: 1254
Joined: 15 Feb 2018, 21:49
Location: West Yorkshire

Re: Using high value stick pots, like 1MΩ

Post by Shaun »

Brilliant Phil.

This will be great for soldered up stick units as found in the early Fleet sets. 👍

Shaun.
bluejets
Posts: 349
Joined: 19 Jun 2019, 04:09

Re: Using high value stick pots, like 1MΩ

Post by bluejets »

Good to know, not only for r/c work.
Post Reply